WINDAREA
반응형
TAP Foundation Hole Drilling Work Conditions Table
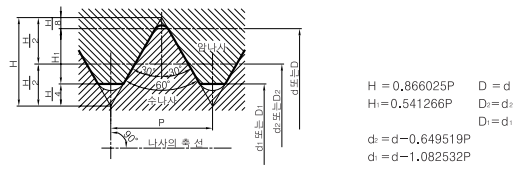
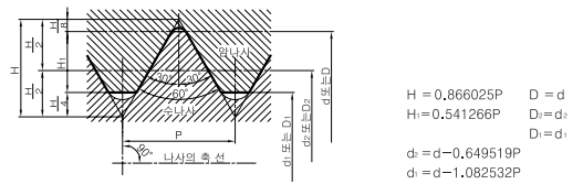
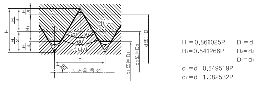
TAP 드릴작업 조건표
TAP 기본 사이즈
| Tap | 일반나사 Pitch (Standard Thread Pitch) |
Drill |
| M1 | 0.25 | 0.75 |
| M1.1 | 0.25 | 0.85 |
| M1.2 | 0.25 | 0.95 |
| M1.4 | 0.3 | 1.1 |
| M1.6 | 0.35 | 1.25 |
| M1.7 | 0.35 | 1.3 |
| M1.8 | 0.35 | 1.45 |
| M2 | 0.4 | 1.6 |
| M2.2 | 0.45 | 1.75 |
| M2.5 | 0.45 | 2.05 |
| M3 | 0.5 | 2.5 |
| M3.5 | 0.6 | 2.9 |
| M4 | 0.7 | 3.3 |
| M4.5 | 0.75 | 3.7 |
| M5 | 0.8 | 4.2 |
| M6 | 1 | 5 |
| M7 | 1 | 6 |
| M8 | 1.25 | 6.8 |
| M9 | 1.25 | 7.8 |
| M10 | 1.5 | 8.5 |
| M11 | 1.5 | 9.5 |
| M12 | 1.75 | 10.2 |
| M14 | 2 | 12 |
| M16 | 2 | 14 |
| M18 | 2.5 | 15.5 |
| M20 | 2.5 | 17.5 |
| M22 | 2.5 | 19.5 |
| M24 | 3 | 21 |
| M27 | 3 | 24 |
| M30 | 3.5 | 26.5 |
| M33 | 3.5 | 29.5 |
| M36 | 4 | 32 |



반응형
'설계 > 기계 제도' 카테고리의 다른 글
| 전산응용기계제도기능사 자격증 (0) | 2023.09.20 |
|---|---|
| 기구 설계란 (0) | 2023.09.19 |
| 버니어 캘리퍼스 읽기 (0) | 2023.09.13 |
| 두 블럭 사이에 모따기와 토끼귀를 만들자 (0) | 2023.08.25 |
| 기계 설계시 주의 사항 (0) | 2023.02.13 |
| 축 기준 / 홀 기준 끼워 맞춤 표 (0) | 2022.12.20 |
| 카운터 보어 / 카운터 싱크 - KS B 1007 규격 (0) | 2021.06.15 |
| 끼워맞춤 공차표 핀홀공차 (0) | 2017.04.20 |