스퍼기어 (평기어) 제도법 - 두 기어의 중심거리 구하기
스퍼기어 제도법 : Spur gear
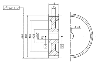
① 이끝원 (이봉우리원)은 굵은 실선
② 피치원은 1점 쇄선
③ 이뿌리원(이골원)은 가는 실선단, 축에 직각으로 단면 투상할 경우는 굵은 실선
④ 스퍼기어 전체 이 높이 h=2.25 x m
⑤ 잇줄방향은 가는실선 3개
⑥ 맞물림 이끝원은 굵은 실선
1. 이끝원(이봉우리원)은 굵은 실선:
이것은 이끝원을 나타내는 표시로서 굵은 실선을 사용한다는 것을 의미합니다.
2. 피치원은 1점 쇄선:
피치원은 스퍼기어의 피치 원형을 나타내며, 이것은 1점 쇄선으로 표시됩니다.
3. 이뿌리원(이골원)은 가는 실선:
이뿌리원은 스퍼기어의 이뿌리를 나타내며, 일반적으로 가는 실선으로 표시됩니다.
그러나 축에 직각으로 단면 투상할 경우 굵은 실선을 사용합니다.
4. 스퍼기어 전체 이 높이 h=2.25 x m :
h는 2.25배의 모듈 (m) 값을 갖습니다.
모듈은 기어의 크기를 나타내는 중요한 요소 중 하나입니다.
5. 잇줄방향은 가는실선 3개 :
잇줄방향은 스퍼기어의 이음매 (톱니와 톱니가 맞물리는 부분)를 가리킵니다.
여기서는 가는 실선 3개가 사용됨을 나타냅니다.
6. 맞물림 이끝원은 굵은 실선 :
스퍼기어의 맞물림 이끝원은 굵은 실선으로 표시됩니다.

| 스퍼 기어 (평기어) 요목표 | ||
| 기어 치형 | 표준 | |
| 공구 | 모듈 (M) | 2 |
| 치형 | 보통이 | |
| 압력각 (a) | 20 | |
| 전체 이 높이 | 4.5 | |
| 피치원 지름 | 80 | |
| 잇수 | 40 | |
| 다듬질 방법 | 호브절삭 | |
| 정밀도 | KS B ISO 1328-1. 4급 | |

2. 두 기어의 중심거리 구하기


M : 모듈
D : 피치원 직경 [mm]
Z : 잇수
a : 이끝높이, 어덴덤(addendum)
1. 기어 요목표 작성시 불필요한 항목은?
① 모듈
② 기어 치형
③ 전체 이높이
④ 이끝 높이
2. 일반적으로 평기어 요목표에 기입하는 사항이 아닌 것은?
① 비틀림 각
② 치형
③ 피치원 지름
④ 잇수
3. 다음 표는 스퍼 기어 요목표이다. 빈칸 (A), (B)에 적합한 숫자로 맞는 것은?

① A : Ø90, B : 4.5
② A : Ø45, B : 4.5
③ A : Ø90, B : 4.0
④ A : Ø45, B : 4.0
피치원 지름
피치원 지름은 모듈과 잇수의 곱으로 구할 수 있습니다.
피치원 지름 = 모듈 * 잇수
따라서, 피치원 지름은 다음과 같습니다.
피치원 지름 = 2 * 45 = 90mm
전체 이높이 (h)
전체 이높이는 피치원 지름을 압력각으로 나눈 값입니다.
전체 이높이 = 피치원 지름 / 압력각
따라서, 전체 이높이는 다음과 같습니다.
전체 이높이 = 90 / 20 = 4.5mm
답
피치원 지름: 90mm
전체 이높이: 4.5mm
'설계 > 기계 제도' 카테고리의 다른 글
| 기계 설계 - 안전 요구 사항 (1) | 2023.11.29 |
|---|---|
| KCs (자율안전확인신고) 인증 알아보기 (1) | 2023.10.24 |
| 금속의 성질 (물리, 기계, 화학) (0) | 2023.10.16 |
| 공압_회로도-공압기호_자료_모음 (0) | 2023.10.13 |
| 기계 제도 선의 종류 - 선과 선이 겹칠 때 우선 순위 (0) | 2023.10.05 |
| 3D 모델링의 종류 - Wire, Surface, Solid (0) | 2023.10.04 |
| CAD 시스템의 좌표와 좌표계 (0) | 2023.09.28 |
| 컴퓨터의 처리 속도 단위 (2) | 2023.09.27 |